The Drawer Alarm

1 Setting up the buzzer

Learn It

  • It would be convenient if we could just hook a buzzer up to the remaining digital output of the circuit.
  • Let's try it out.

Test It

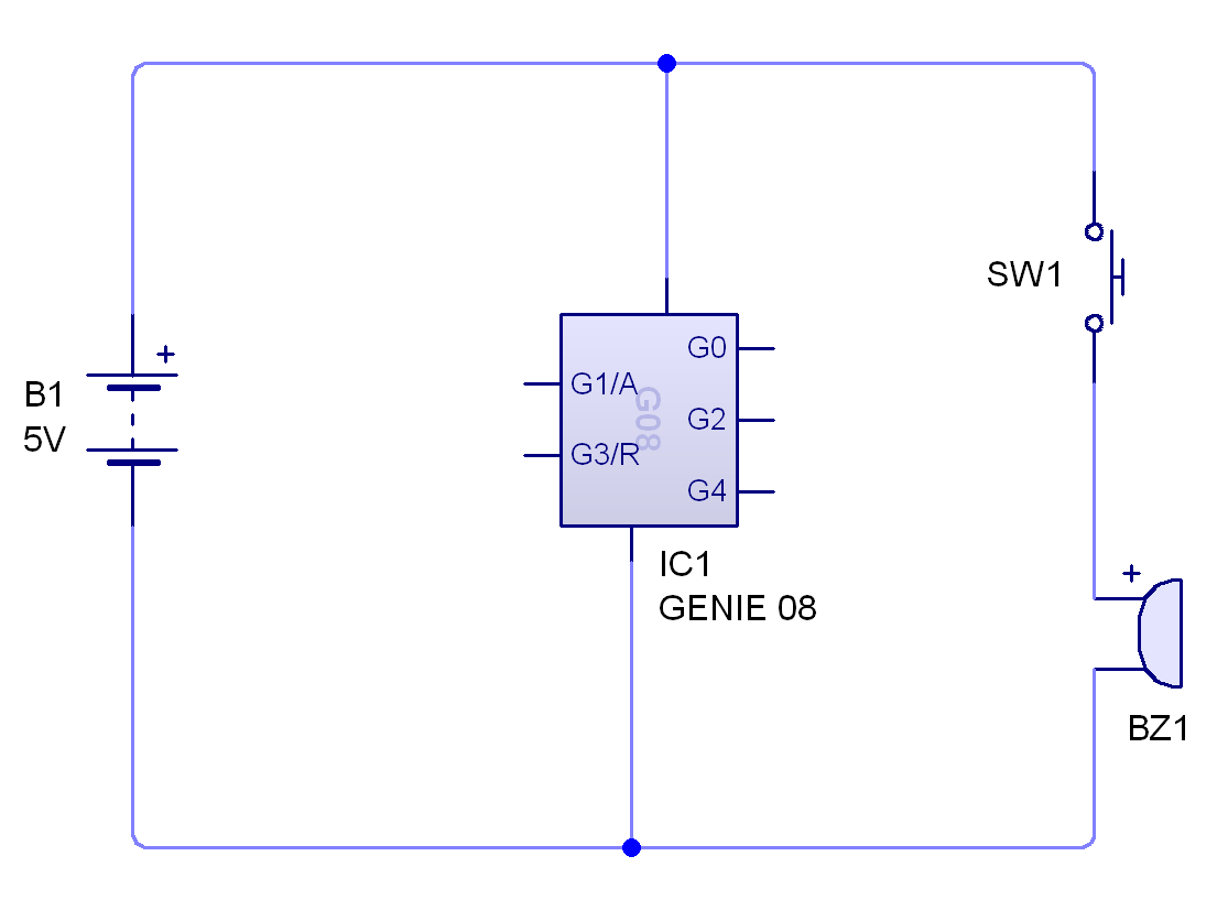
  • Set up a circuit like the one shown below.
  • The buzzer can be found under 'Audio' in the gallery.
  • IC1 is a Genie 08 'microcontroller' in the gallery. 

analogueCirc5.png

  • And use a simple program like the one shown below.

analogueCirc6.png

  • Now run the program.
  • It appears as if the buzzer's not working, but let's just check that it's a problem caused by the GENIE chip and not the buzzer itself.
  • Draw this circuit and see what happens.

analogueCirc7.png

Badge It - Silver

  • Use a digital voltmeter and try and figure out why the buzzer does not work when connected to a GENIE chip's outputs.
  • Use screenshots to help explain what is happening.
  • To understand why the Genie 08 may not have enough current, look at this document.

2 Using a transistor as a digital switch

Learn It

  • We need a way to connect the buzzer up to the 5V power rail, but still control whether it is on or off.
  • A simple switch would allow us to do this.

analogueCirc8.png

  • But the switch can only be operated manually, and we need to be able to open and close it using the GENIE chip outputs.
  • Luckily there is a component that can perform exactly this function. It's called a transistor.

Try It

  • Transistors have three pins Base, Collector and Emitter.
  • When there is a voltage at the base of the transistor, current can pass through the collector and emitter.
  • One thing to remember is that transistors can be sensitive to even moderate currents. It's a good idea to put a resistor between the base of the transistor and the output pin of the GENIE chip. A 1kΩ resistor should suffice.
  • We'll use a BC547B transistor in the circuit.

Badge It - Gold

  • You should now be able to complete your circuit.
  • This tutorial can help if you're stuck…
  • Please note: C1 is a capacitor which can be found in the 'capacitors' option in the drop down menu.
  • The voltage regulator (IN-OUT-REF) is under 'Power supplies' right at the top of the options.

  • To recap - you should have a switch and an LDR on the inputs of the chip, and two LEDs and the transistor that controls the buzzer connected to the outputs.
  • Screenshot your finished circuit when it is completed.